随着半导体的工艺进步,硅麦正朝着更高集成度(与CMOS工艺兼容)、更低功耗、更优信噪比的方向发展,未来可能进一步取代传统麦克风。
今天就给大家讲讲什么是硅麦?硅麦FPC如何设计?
一、什么是硅麦?
硅麦是硅麦克风的简称,是基于MEMS(微型机电系统)技术制造的微型电容式麦克风。
硅麦(MEMS麦克风)是通过半导体工艺将声学传感器与信号处理电路集成在硅晶片上的微型麦克风,其核心组件包括MEMS声压传感器芯片(微型电容器)和ASIC芯片(专用集成电路),实现声信号到电信号的转换。

MEMS麦克风
二、硅麦的优势与应用领域
与传统ECM麦克风相比,硅麦具有体积小(最小封装尺寸3.76×2.95×1.1mm)、耐回流焊、抗RF干扰、功耗低(工作电流<150μA)等优势,广泛应用于便携式电子设备。
主要应用如下:
- 智能手机(多麦克风阵列用于降噪和语音增强)
- 笔记本电脑/平板电脑(视频会议音频输入)
- 智能穿戴设备(语音交互)
- 智能家居(如音箱、摄像头的语音控制)
- 医疗电子(助听器、电子耳)

图片来源于索爱蓝牙耳机
三、FPC板硅麦设计注意事项
从以上硅麦应用领域可以看出,硅麦大多以FPC作为载体,在画FPC里,需按选型封装要求来设计。
FPC设计要求布局合理,距离适中,电路布置需考虑模拟与数字地的隔离,以提升系统稳定性。
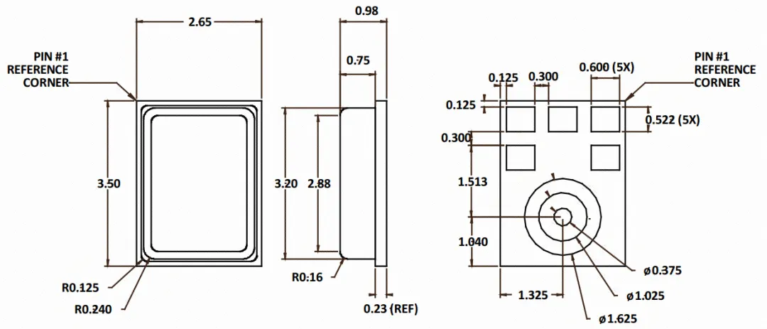
硅麦封装示意图(来源于立创商城)
1.孔径设计:
硅麦MIC的孔径设计需要确保声音能够顺畅地进入麦克风内部。通常,面板开孔直径应大于密封层开孔直径,密封层开孔直径应大于FPC开孔直径,以确保声音的顺畅传递。孔属性设计为NPTH孔。
2.线路焊盘设计:
硅麦元件顶底层线路层都需设计地铜,且铺地铜时远离进音孔边缘0.2mm。
3.阻焊开窗设计:
硅麦进音孔周围位置需设计环形阻焊开窗,方便硅麦接地,消除噪音。

硅麦FPC布线效果图
4.钢片补强设计:
硅麦背面一般会设计一个钢片补强,可以起到支撑硅麦和散热的作用。

钢片补强设计示意图
5.结构设计:
所有麦克风之间应完全独立,每个麦克风都有唯一的进音孔,以避免掩蔽效应,确保声源的直达声(非反射声)到达每个麦克风的机会均等。此外,麦克风阵列的设计应考虑整体结构的稳固性,避免装配位置过薄或靠近噪音源,以确保音频质量。
四、硅麦FPC生产注意事项
FPC最常见的品质问题是硅麦的进音孔内有胶或有毛刺,堵住的话硅麦就会丧失功能。

在FPC生产时需要控制好激光或钻孔的参数,从CAM设计端考虑好溢胶量,并对其进行补偿处理。
嘉立创FPC为手机,耳机,手环,手表,智能家居及医疗辅助设备头部大厂,提供了数千款硅麦FPC产品,对此类产品有丰富的生产经验,并且钢片和FPC都是全流程自营自造,满足研发新产品快速打样需求。

嘉立创生产的耳机FPC
如果您也有定制FPC的需求,欢迎选择嘉立创!
如果您有FPC软板设计问题,可以点击链接学习:https://www.jlc-fpc.com/
